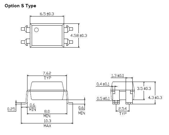
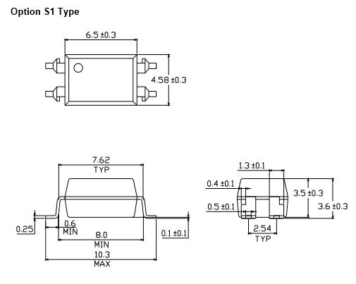
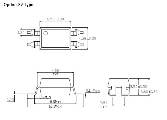
EL2501替代PS2501-1,PS2561-1,PS2501L-1,PS2561L-1,PS2561L2-1光耦参数
EL2501替代PS2501-1,PS2561-1 ,PS2501L-1,PS2561L-1,PS2561L2-1
亿光光耦推荐

电话:13631628039 陈小姐
电话:13631666985 周先生
总机:0755-83037181
传真:0755-83037182-808
Email: wendy@digihot-ele.com
地址:深圳市龙华区大浪街道和平路699号祥昭大厦1701

EL2501替代PS2501-1,PS2561-1 ,PS2501L-1,PS2561L-1,PS2561L2-1





